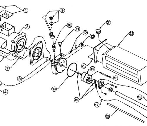
Truck Lift Parts & Bus Lift Parts

When your car, truck, and bus lifts need lift parts, SVI has the parts you need. With an impressive inventory of over 15,000 in-stock auto lift and vehicle shop equipment repair parts, SVI can be your #1 supplier. Contact us today.

No matter how new or old your equipment may be, SVI is equipped and ready to ship or create the exact part you need to get your machinery running again. Since 1977, we’ve served thousands of vehicle shops and auto lift operations. SVI offers same-day shipping on many repair parts with regionally-located warehouses to cover the entire country with affordable, fast delivery. That’s the SVI guarantee.