Above Ground / Surface Mount 2-Post Lifts – Wheeltronic – 7144
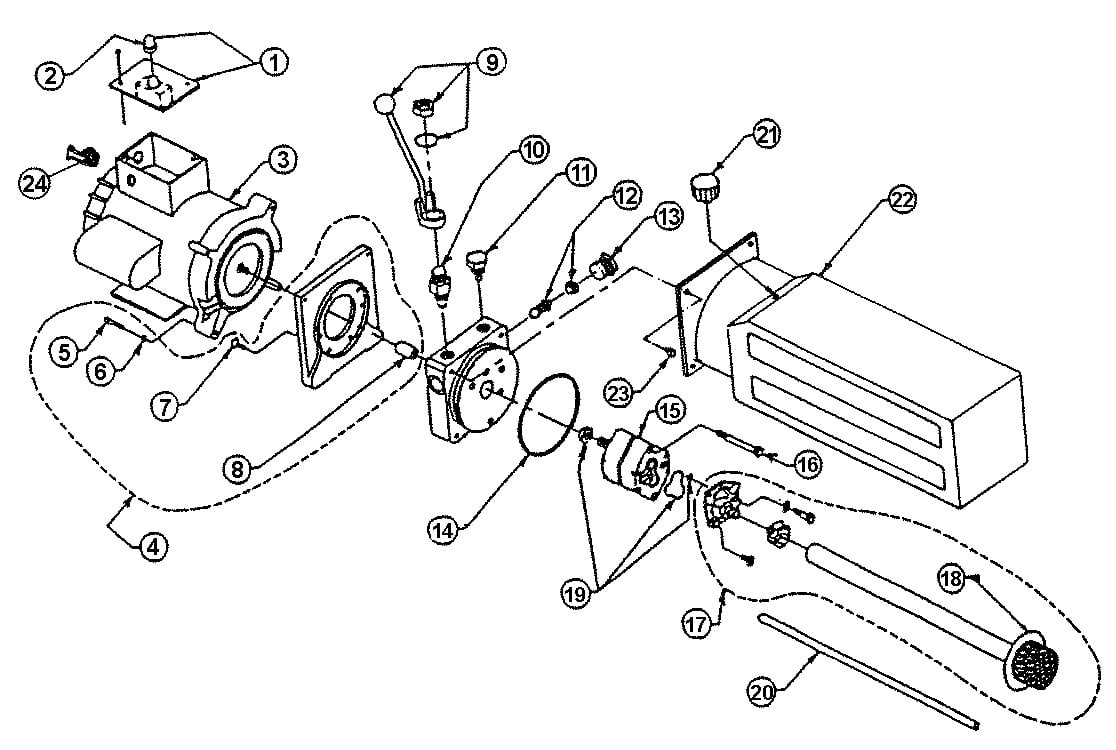
Parts for Wheeltronic 7144 Power Pack
Add toQuote
Add toOrder
Item
SVI Part #
OEM #
Qty
Description
4
Request Details
0-0197
1
Motor Adapter Kit
5
F-SC-0250-20-0625
6-1085
4
Socket Head Capscrew 1/4"-20 x 5/8"
All names, numbers, symbols and descriptions are used for reference purposes only. It is not implied that any part listed is the product of these manufacturers. SVI does not represent and is not associated in any way with any other companies.
