Elbow
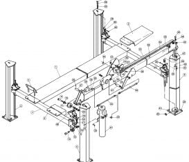
Keeping a Forward lift regardless of origin operating safely is why SVI backs these lifts with all the commonly replaced parts for the long haul.
All names, numbers, symbols and descriptions are used for reference purposes only. It is not implied that any part listed is the product of these manufacturers. SVI does not represent and is not associated in any way with any other companies.

















