View product details
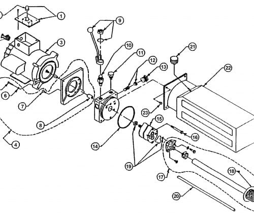
Parts for Wheeltronic 8144V Power Pack
Above Ground 2-Post Lifts - Wheeltronic - 8144V

View product details
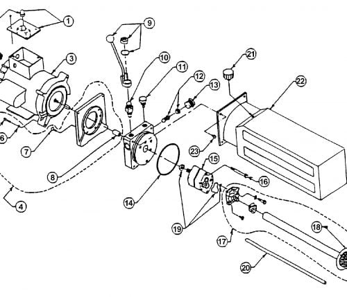
Above Ground 2-Post Lifts - Wheeltronic - 8144V
View product details
Above Ground 2-Post Lifts - Wheeltronic - 81776S
View product details
Above Ground 2-Post Lifts - Wheeltronic - 81776S
View product details
Above Ground 2-Post Lifts - Wheeltronic - 81776S
View product details
Above Ground 2-Post Lifts - Wheeltronic - 9021
View product details
Above Ground 2-Post Lifts - Wheeltronic - 9021
View product details
Above Ground 2-Post Lifts - Wheeltronic - 9021