Above Ground / Surface Mount 2-Post Lifts – Wheeltronic – 8144V
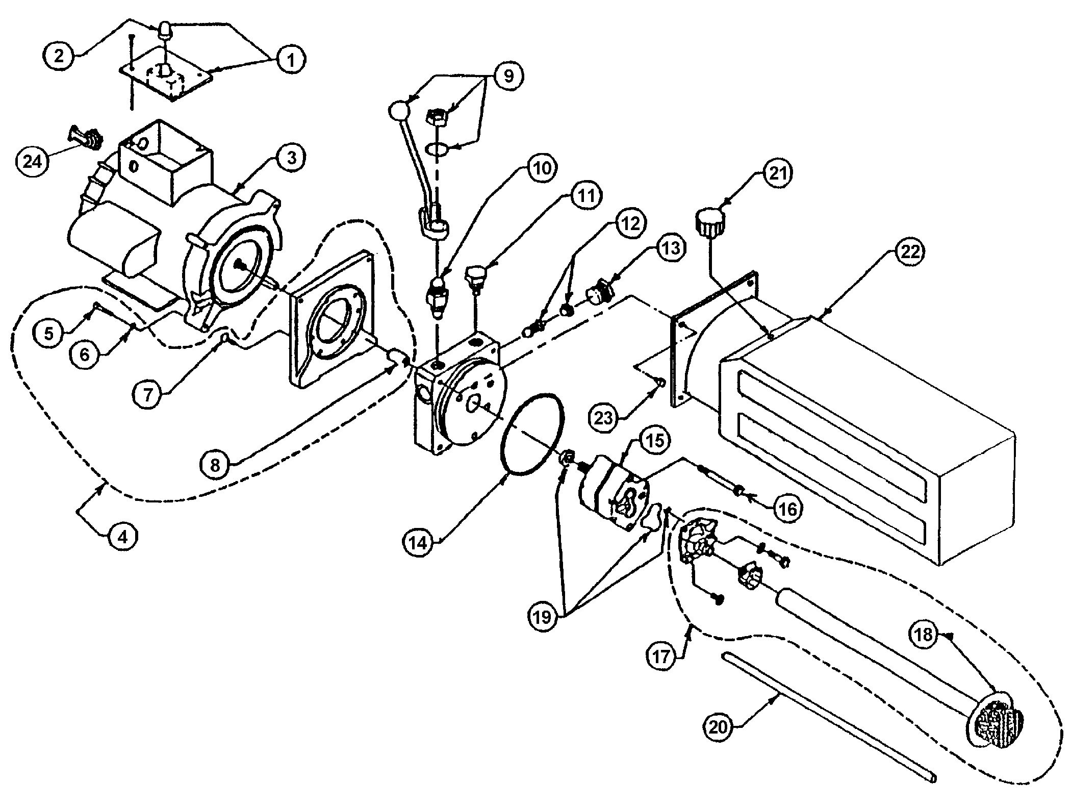
Parts for Wheeltronic 8144V Power Pack
Add toQuote
Add toOrder
Item
SVI Part #
OEM #
QTY
Description
5
Request Details
6-1085
4
Skt. Hd. Capscrew. 1/4" x 5/8"
All names, numbers, symbols and descriptions are used for reference purposes only. It is not implied that any part listed is the product of these manufacturers. SVI does not represent and is not associated in any way with any other companies.
