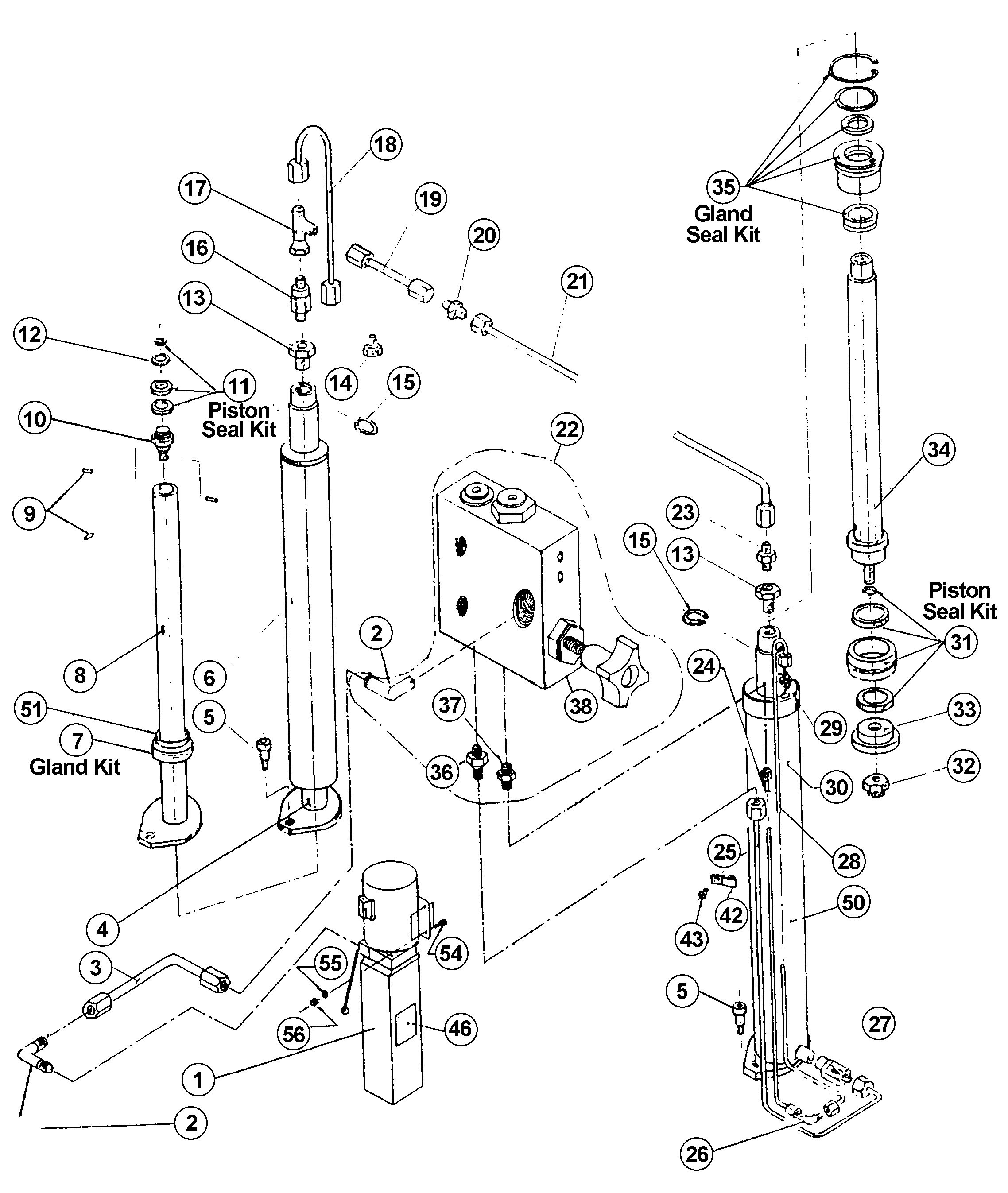
Above Ground / Surface Mount 2-Post Lifts – Wheeltronic – 9021
Parts for Wheeltronic 9021 Hydraulics
Add toQuote
Add toOrder
Item
SVI Part #
OEM #
QTY
Description
5
Request Details
6-0425
2
Shoulder Screw, 1/2" x 5/8"
9
Request Details
6-0580
3
Allen Hd. Setscrew, 1/4" x 3/8"
32
F-NL-0875-9
6-0586
1
Nylon Insert Lock Nut, 7/8"-9
52
BH-7805-101
6-0593
1
Lift Operation Decal
53
BH-7805-100
6-0594
1
Safety Instruction Decal
All names, numbers, symbols and descriptions are used for reference purposes only. It is not implied that any part listed is the product of these manufacturers. SVI does not represent and is not associated in any way with any other companies.
