In Ground Front and Rear / Fore and Aft Lifts – Weaver – EC-108
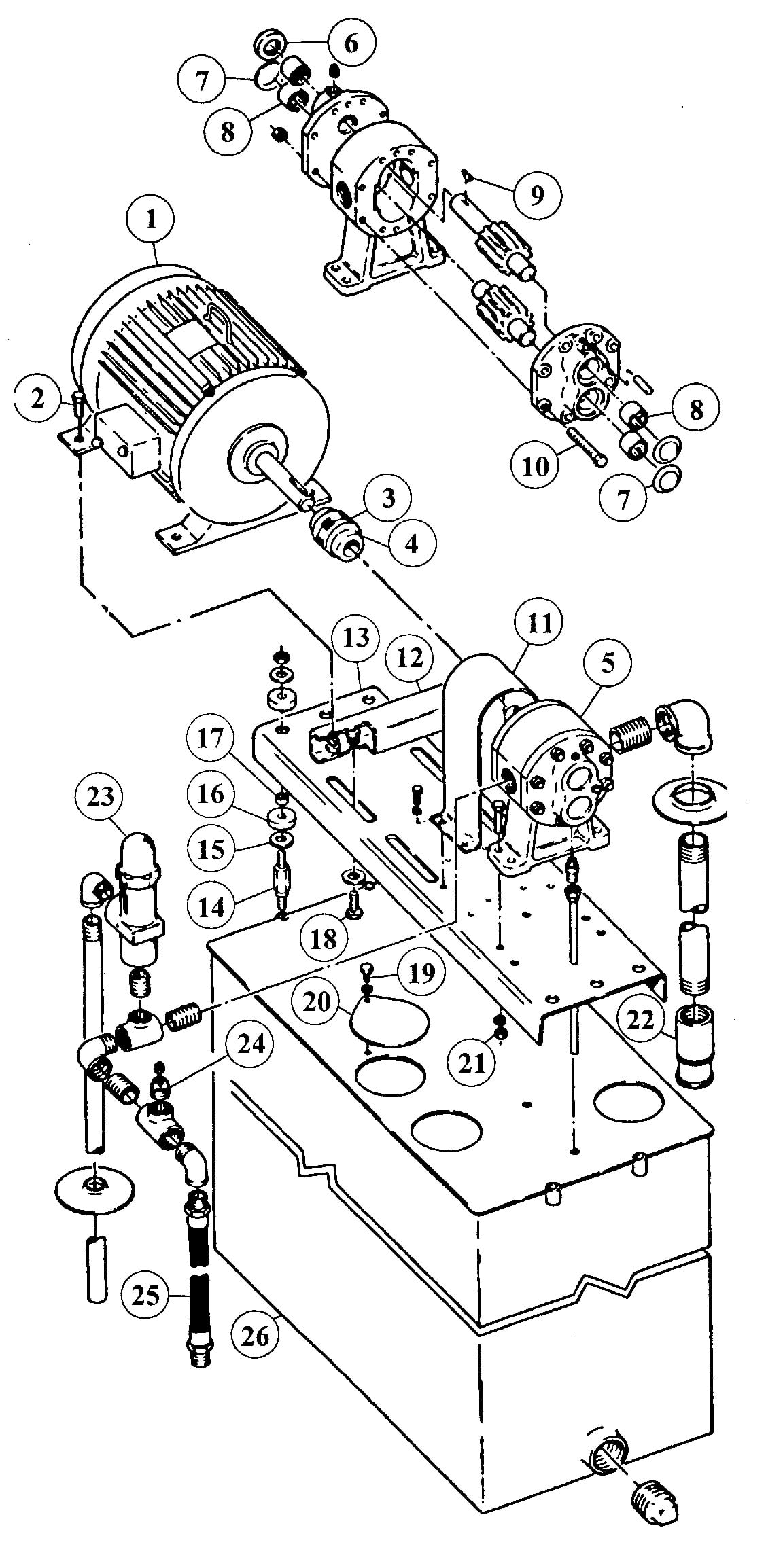
Parts for Weaver EC-108 Hydraulic Power Unit
Add toQuote
Add toOrder
Item
SVI Part #
OEM #
QTY
Description
1
BH-9672-11
1
Electric Motor (NLA)
15
F-FW-0562
S-1565
8
Washer
23
BH-9672-03HP
Also Available - 300-500 PSI
* Our Pump requires the use of BH-9672-02 mounting base. Must use BH-9672-01W when replacing original pump.
** Proper Pressure must be stamped on pressure relief valve.
Specify Horsepower, Voltage, Current & Frame Size when Ordering Complete Pumping Unit
All names, numbers, symbols and descriptions are used for reference purposes only. It is not implied that any part listed is the product of these manufacturers. SVI does not represent and is not associated in any way with any other companies.
