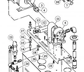
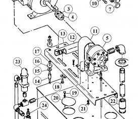
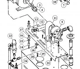
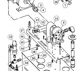
Hydraulic Pump Roper
Originally an OEM supplier to Weaver, for over two and half decades SVI has been the exclusive manufacturer of repair parts and hydraulic cylinders for Weaver lifts. SVI even builds complete lifts and replacement heavy duty in-ground car, truck and bus lift sections. See SVI Power Post lifting equipment for more details or contact us today. Weaver lifts can be repaired and all the parts are still available, don’t let someone tell you otherwise. SVI is your answer!
All names, numbers, symbols and descriptions are used for reference purposes only. It is not implied that any part listed is the product of these manufacturers. SVI does not represent and is not associated in any way with any other companies.












