
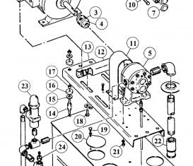
Power Unit with Motor 3pH 120 Gallon
SVI Part #: SV-61-1
Power Unit with Motor 3pH 120 Gallon
7.5 HP, 250 psi
Hydraulic Power Units from SVI can be used to power any type of hydraulic cylinders that operate on pressures up to 350 PSI. Applications include heavy duty in-ground automotive, truck and bus service lifts and low pressure, high capacity intermittent use material handling cylinders.
These power units are an ideally suitable replacement or upgrade for any struggling power unit found in use on older fore-and-aft lifts in any bus shop, municipal garage or transit fleet facility. Each power unit reservoir and assembly is built in SVI’s DeKalb, Illinois plant using readily available industry standard components. After production, the power units are hydraulically tested for proper operation prior to shipping.
SVI power units are the perfect solution when a new unit is required for any existing conventional fore-and-aft lift, regardless of the make or model number. Whether it is a Western, Joyce, Globe, Gilbarco, Weaver, Rotary, Curtis, SVI or other make of lift—SVI is your Answer!
FEATURES:
- Low Cost
- Simple Design
- Reliable Function
- Universally Available Components
- SAE Type B Pump to Motor Adapter
- High Performance HYBEL Gear Pump*
- Fulflo Hydraulic Bypass Relief Valve
- Parker “Series C” Check Valve*
- Standard and Custom Reservoir Capacities
- Optional Auxiliary Reservoirs Available
4 Standard Color Choices—Black, Yellow, Red, or Blue. Coordinate with your shop! Custom colors available for an additional charge.
SVI also offers Magnetic Starters!
*or equivalent














