Above Ground / Surface Mount 2-Post Lifts – Challenger – CL10
Repair parts for Challenger Lifts Model CL-10 are available from SVI.
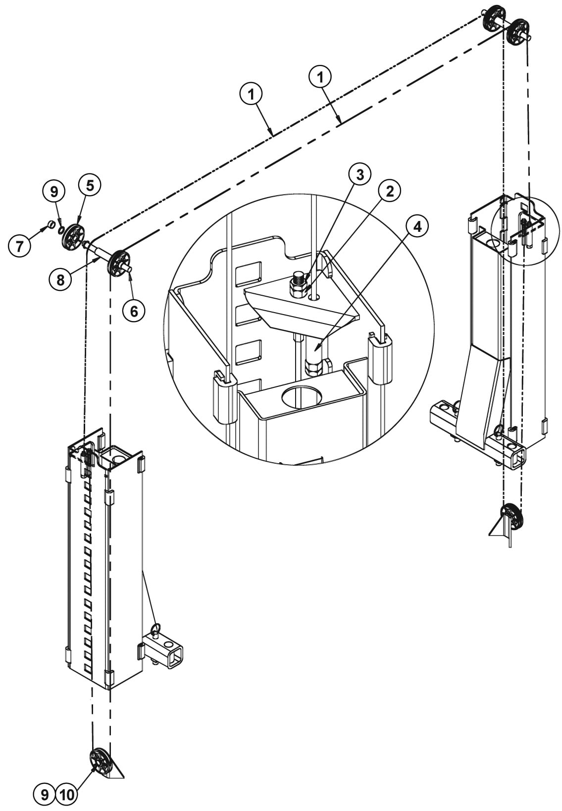
SVI is the #1 Source for repair parts for Challenger Lifts. Whether you need cables, sheaves, slider blocks, power units, height extensions and pads, or another part for your 2-post Challenger lift, SVI has what you need. We offer excellent pricing and in-stock items usually ship out same day.
Also see other related parts breakdowns:
Parts for Challenger CL10
Parts for Challenger CL10 Hydraulics
Looking for a specific model breakdown or part? Contact SVI today!
