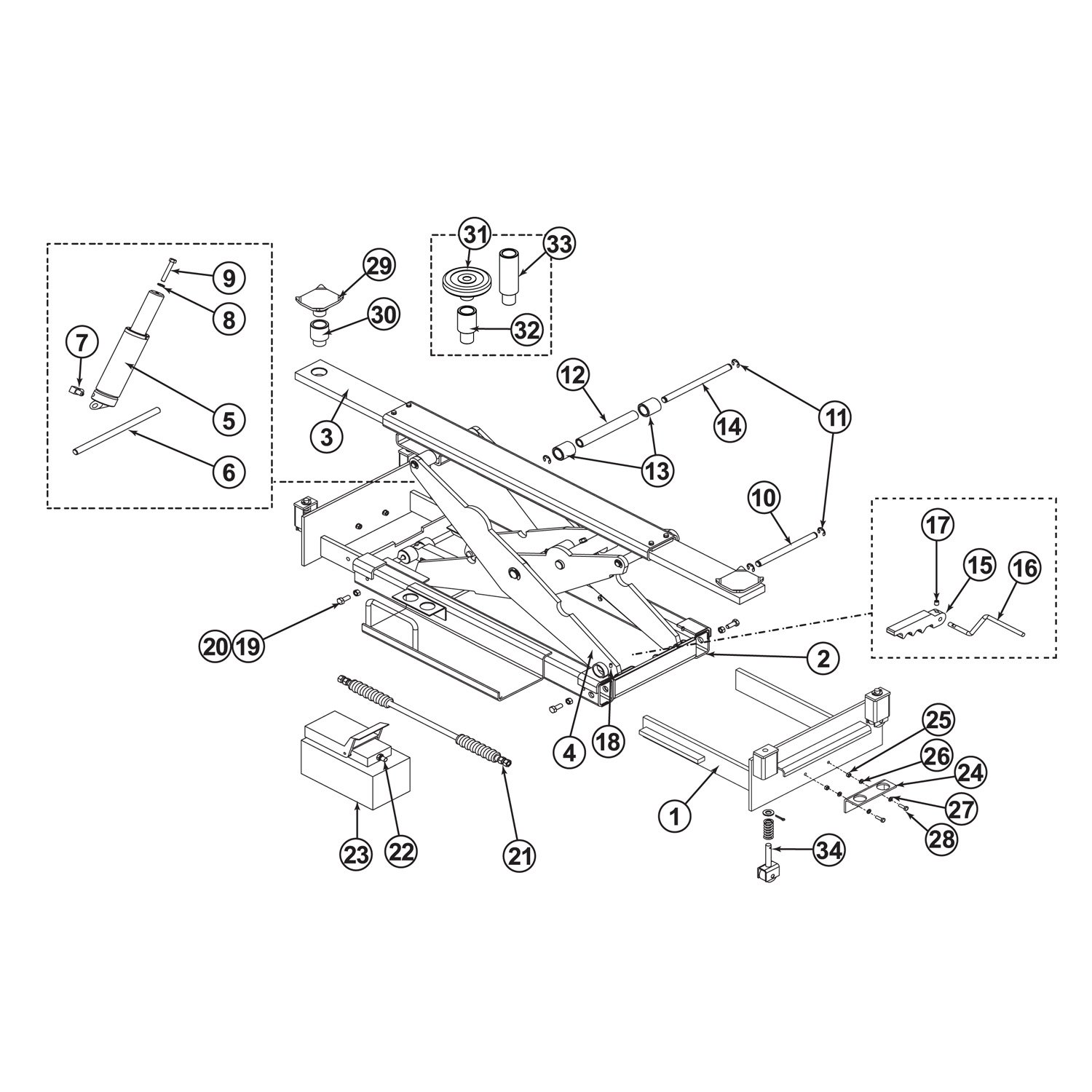
Above Ground / Surface Mount Rolling Bridge Jacks – Bend Pak – RJ-6
Repair parts for BendPak Rolling Jack Model RJ6 are available from SVI.
SVI is the #1 Source for repair parts for BendPak Rolling Jacks. Whether you need a replacement rolling jack pump, wheel kits, axle and roller kit, end assembly, or another part for your above-ground Bend-Pak Rolling Bridge Jacks, SVI has what you need. We offer excellent pricing, top-notch customer service and fast shipping with in-stock items that usually ship out same day.
Looking for a specific model breakdown or part? Contact SVI today!
