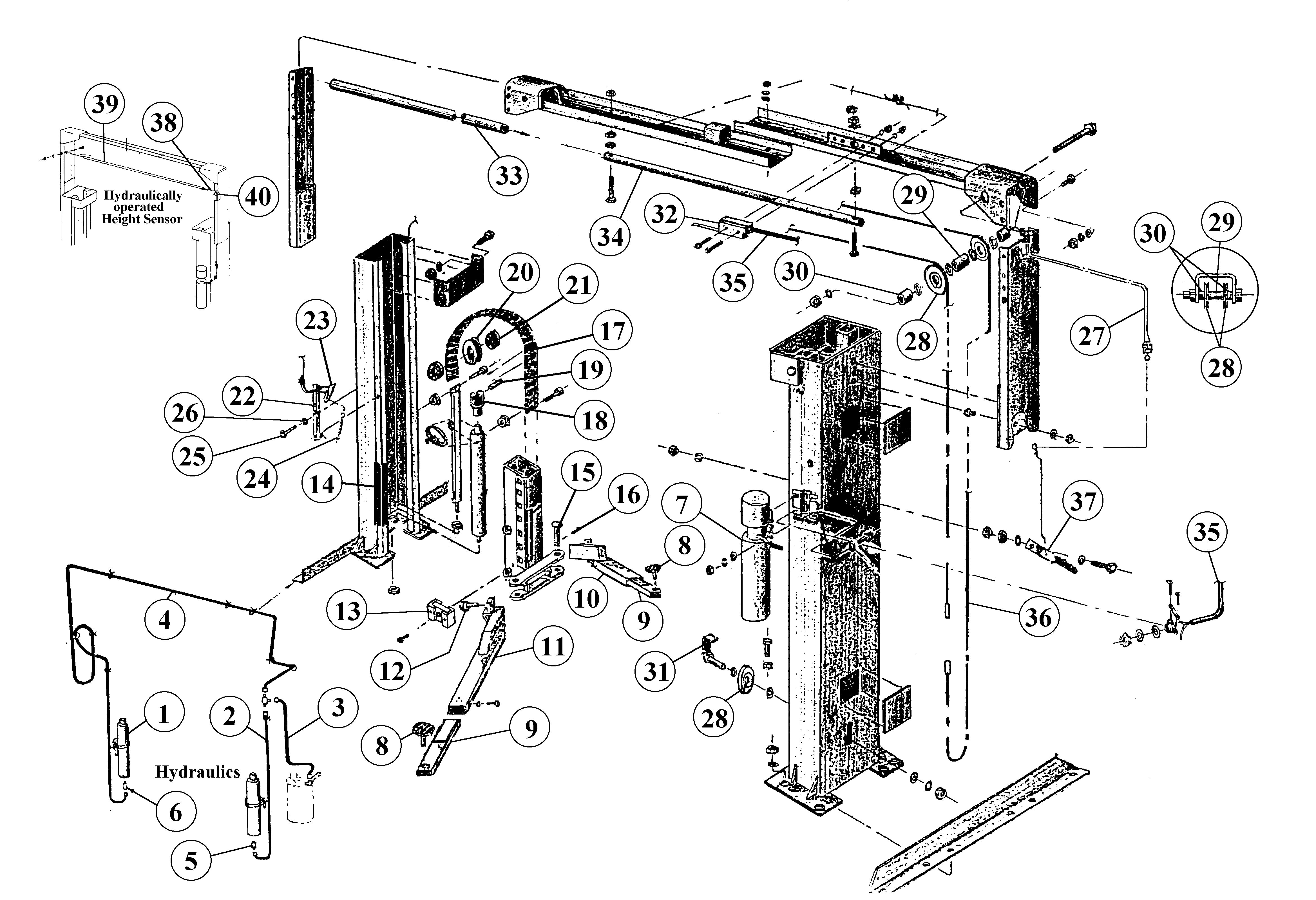
Above Ground / Surface Mount 2-Post Lifts – Globe – AFO-7EH
SVI is the #1 Source for repair parts for in-ground Globe Lifts. Whether you need hoist packing seal kits, rack bars, gears, equalizer assemblies and components, safety legs, safety lock parts, lifting saddles and adapters, pit cover plates, power unit, or another part for your in-ground Globe Lift, SVI has what you need. We offer excellent pricing, top-notch customer service and fast shipping with in-stock items that usually ship out same day.
Looking for a specific model breakdown or part? Contact SVI today!

