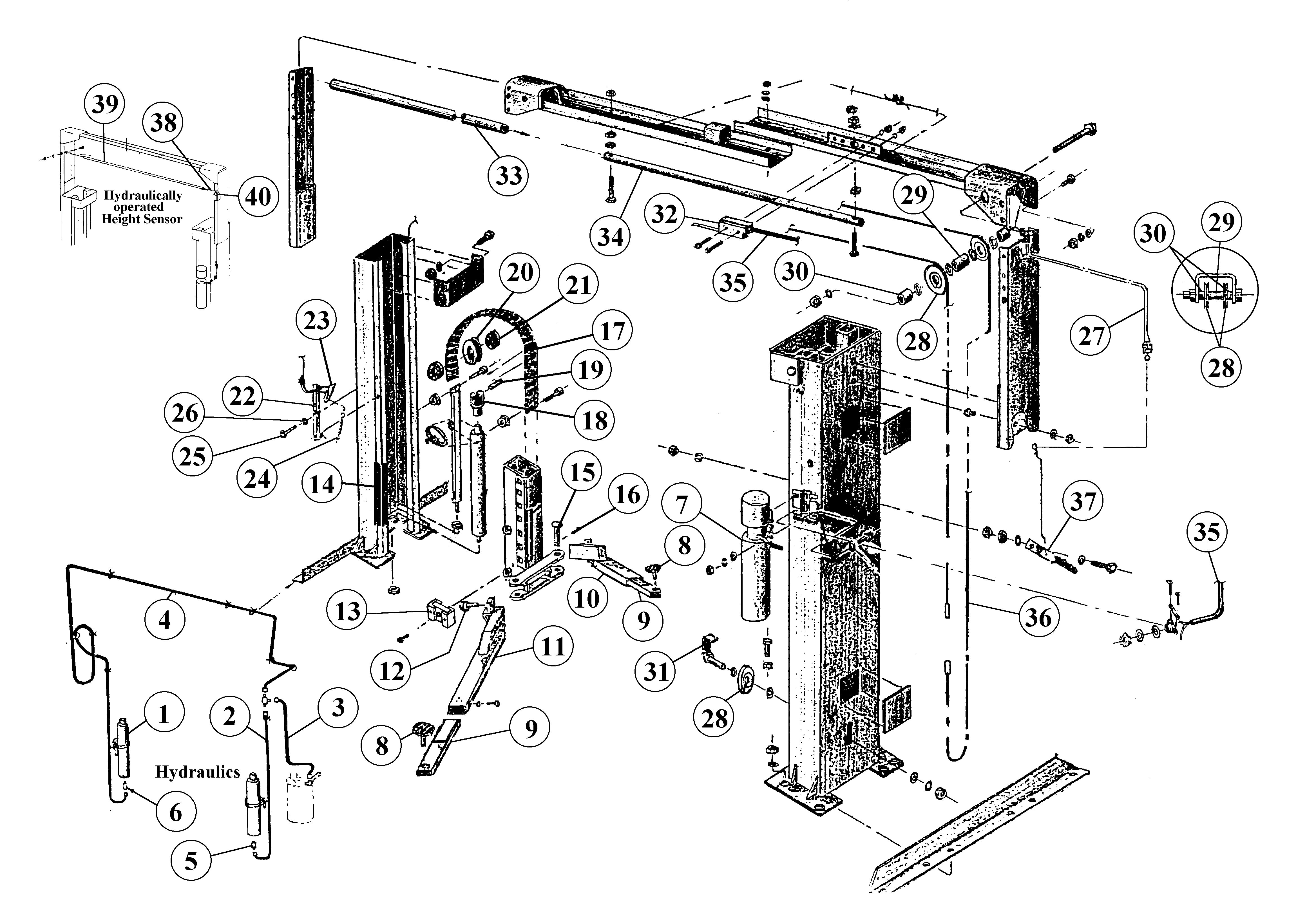
Above Ground / Surface Mount 2-Post Lifts – Globe – AFO-7A
SVI is the go-to supplier for repair parts for Globe Lifts. Whether you need equalizer and lifting cables or chain, sheaves, slider blocks, hydraulic cylinders, seal kits, power units, overhead stop limit components, carriage locks and components, arm pins, height extensions and pads, or another part for your 2-post Globe lift, SVI has what you need. We offer excellent pricing, top-notch customer service, and in-stock items usually ship out the same day.
Looking for a specific model breakdown or part? Contact SVI today!

