Above Ground / Surface Mount 4-Post Lifts – Challenger – 4015 Open Front – Series
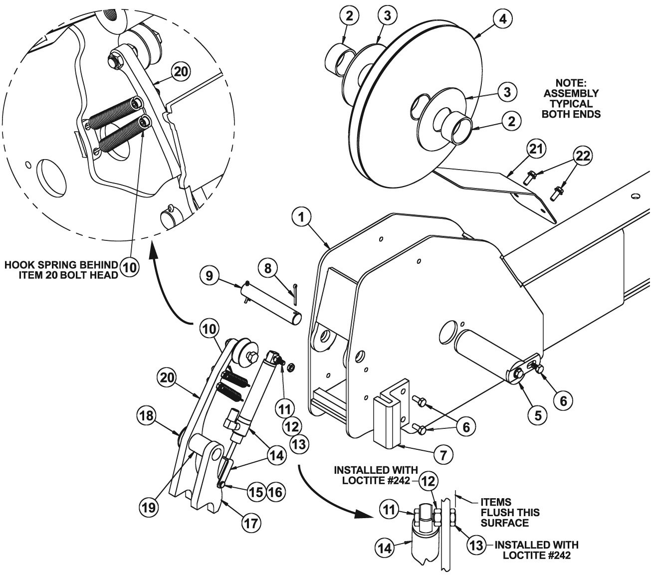
SVI is the #1 Source for repair parts for Challenger Lifts. Whether you need chain, chain rollers, air cylinders, hydraulic cylinders, seal kits, lock release air valve switch, power units, or another part for your 4-post Challenger lift, SVI has what you need. We offer excellent pricing and in-stock items usually ship out same day.

Looking for a specific model breakdown or part? Contact SVI today!
Also see these additional breakdowns for Challenger Lifts 4015 Open Front:
