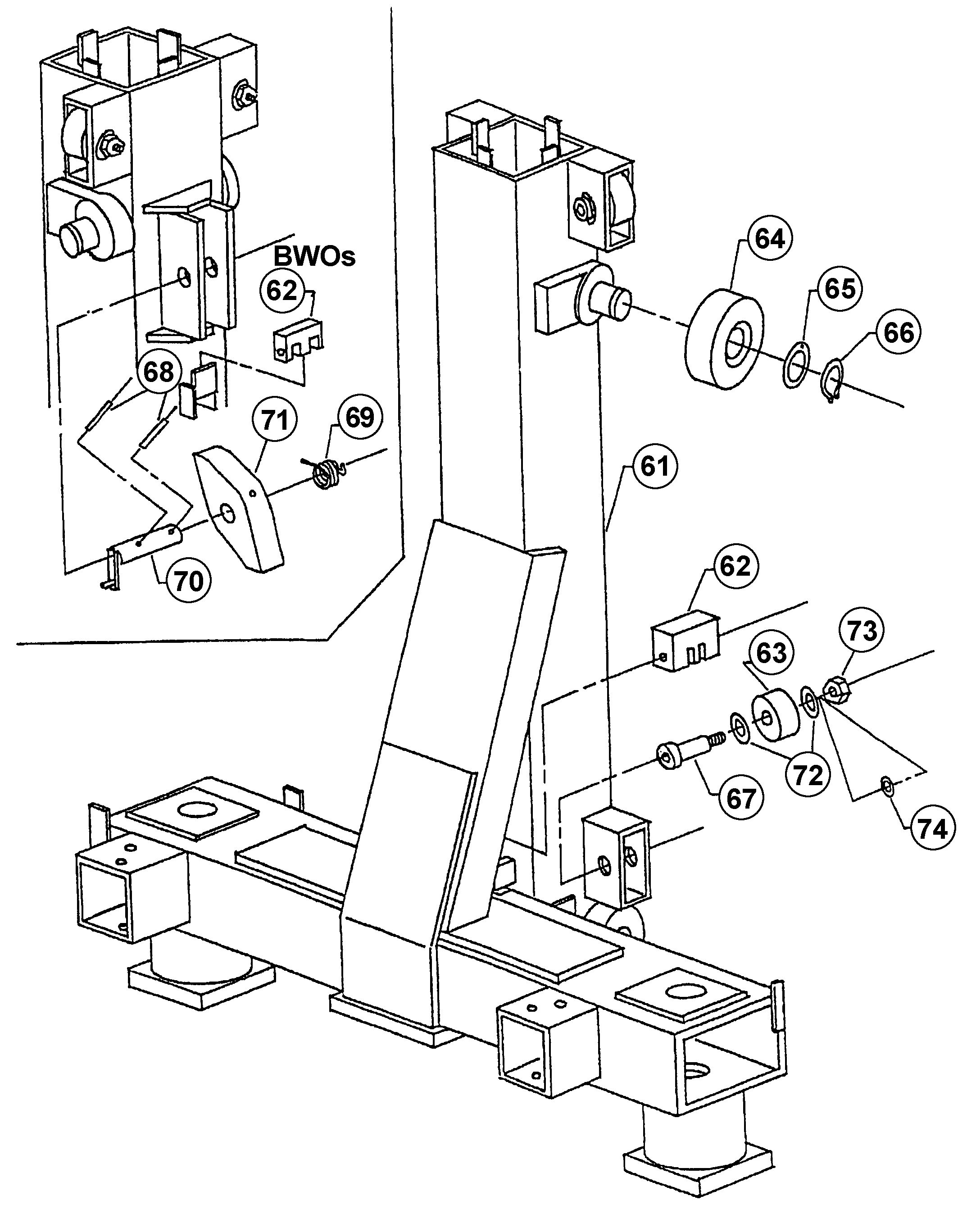
Above Ground / Surface Mount 2-Post Lifts – Benwil – BWO-7L
Parts for Benwil BWO-7L Carriage Assembly Drive Side
Add toQuote
Add toOrder
Item
SVI Part #
OEM #
QTY
Description
61
BH-7224-154
300317-3
1
Carriage Weld - Drive Side
62
BH-7224-130
300344
1
Chain Anchor
72
Request Details
8
5/8" x 1-1/4" Machine Bushing
All names, numbers, symbols and descriptions are used for reference purposes only. It is not implied that any part listed is the product of these manufacturers. SVI does not represent and is not associated in any way with any other companies.
