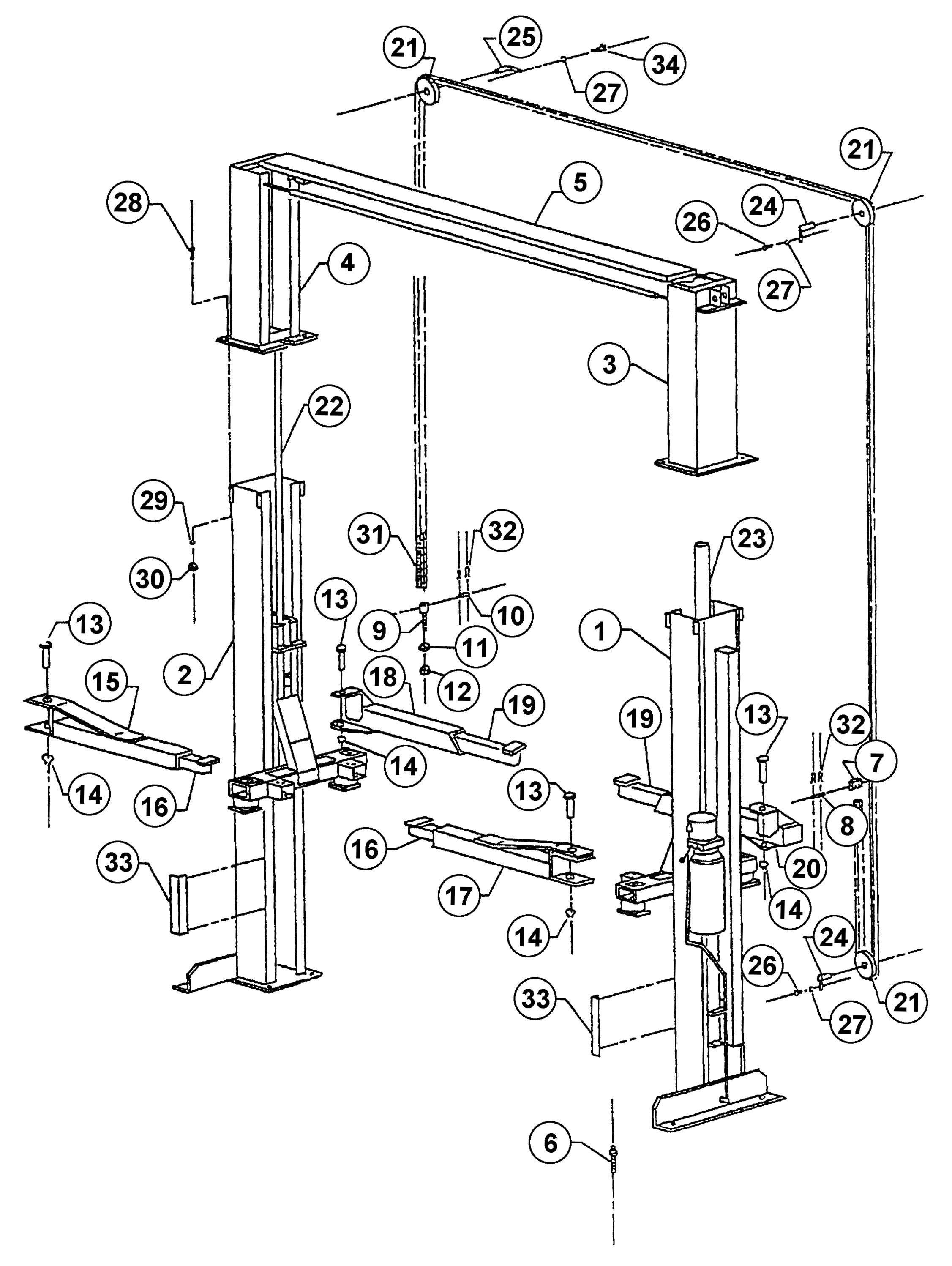
Above Ground / Surface Mount 2-Post Lifts – Benwil – BWO-7
Parts for Benwil BWO-7
Add toQuote
Add toOrder
Item
SVI Part #
OEM #
QTY
Description
1
BH-7224-161
300516-3
1
Column-Drive Side
2
BH-7224-162
300517-3
1
Column-Driven Side
3
BH-7224-163
300654
1
Upper Column-Drive Side
4
BH-7224-164
300547
1
Upper Column Driven Side
5
BH-7224-165
300651-3
1
Beam Assembly - Overhead
6
BH-7224-131
500388
8
Anchor Bolt
7
BH-7224-130
300344
1
Anchor Chain
12
F-JN-0562-18
1
9/16"-18 Jam Nut
31
BH-7224-167
300158-13
1
Leaf Chain (BWO-7/7L)
32
F-CP-125-0875
4
1/8" x 7/8" Cotter Pin
33
BH-7202-70
300568
2
Bumper Door
All names, numbers, symbols and descriptions are used for reference purposes only. It is not implied that any part listed is the product of these manufacturers. SVI does not represent and is not associated in any way with any other companies.
