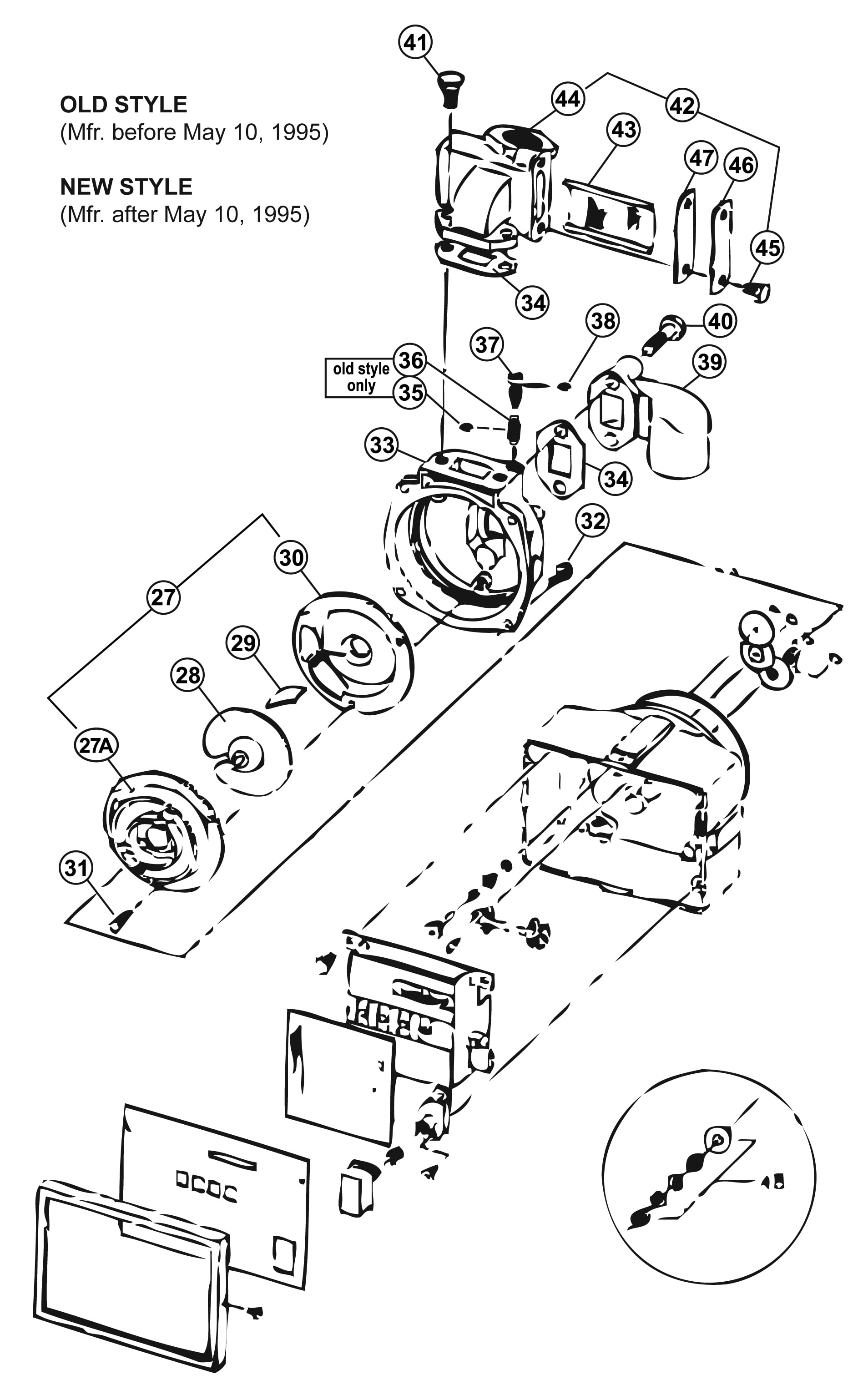
Meter / Register – Gasboy Consumer Series Pumps – 4860
4860 4-Wheel Meter Register
Add toQuote
Add toOrder
Item
SVI Part #
OEM #
Description
1
Request Details
012267
Bezel, 1820R
1a
Request Details
For Old style only
2
Request Details
052693
Bezel Screw
3
Request Details
035307
Dial Mask, 1820R
15
014095
Bearing and Seal Assembly (Use if no letter is cast onto rear of housing #17. If Rev. G, see item 25)
17
Request Details
048426
Register Housing, 1820R
17
Request Details
048994
Register Housing (Model 71)
25
036995
Bearing & Seal Assembly (Use only when Rev. G is cast onto rear of housing #17. If no Rev., see item 15)
26
019016
Measuring Chamber phenolic (standard, sold as assembly only., consists of 27-30)
26
Request Details
019015
Measuring Chamber, bronze (optional)
27
BP-4212-106-1
Measuring Chamber, Top
28
BP-4212-106-2
Measuring Disc
29
BP-4212-106-3
Baffle
30
BP-4212-106-4
Measuring Chamber, Bottom
31
Request Details
052750
Screw, Bronze Chamber
36
Request Details
053080
Adjusting Screw (old style only)
37
Request Details
052195
Adjusting Screw Cap (old style)
40
Request Details
K01904
Discharge Flange Screw
41
Request Details
051985
Inlet Flange Screw (new style)
41
Request Details
K01901
Inlet Flange Screw (old style)
42
Request Details
063400
Inlet Flange & Strainer Assy., 1"
43
Request Details
063295
Strainer
44
Request Details
003305
Strainer Body, 1", 60°
45
Request Details
Q10624 13
Strainer Cover Screw
All names, numbers, symbols and descriptions are used for reference purposes only. It is not implied that any part listed is the product of these manufacturers. SVI does not represent and is not associated in any way with any other companies.
