DC Powered Pumps – Tokheim – 470
470 Assembly
Add toQuote
Add toOrder
Item
SVI Part #
OEM #
Description
3
Request Details
068020
Washer
3
Request Details
K65235 33
Washer
8
Request Details
052000
Screw
8
Request Details
K47659
Screw
10**
Request Details
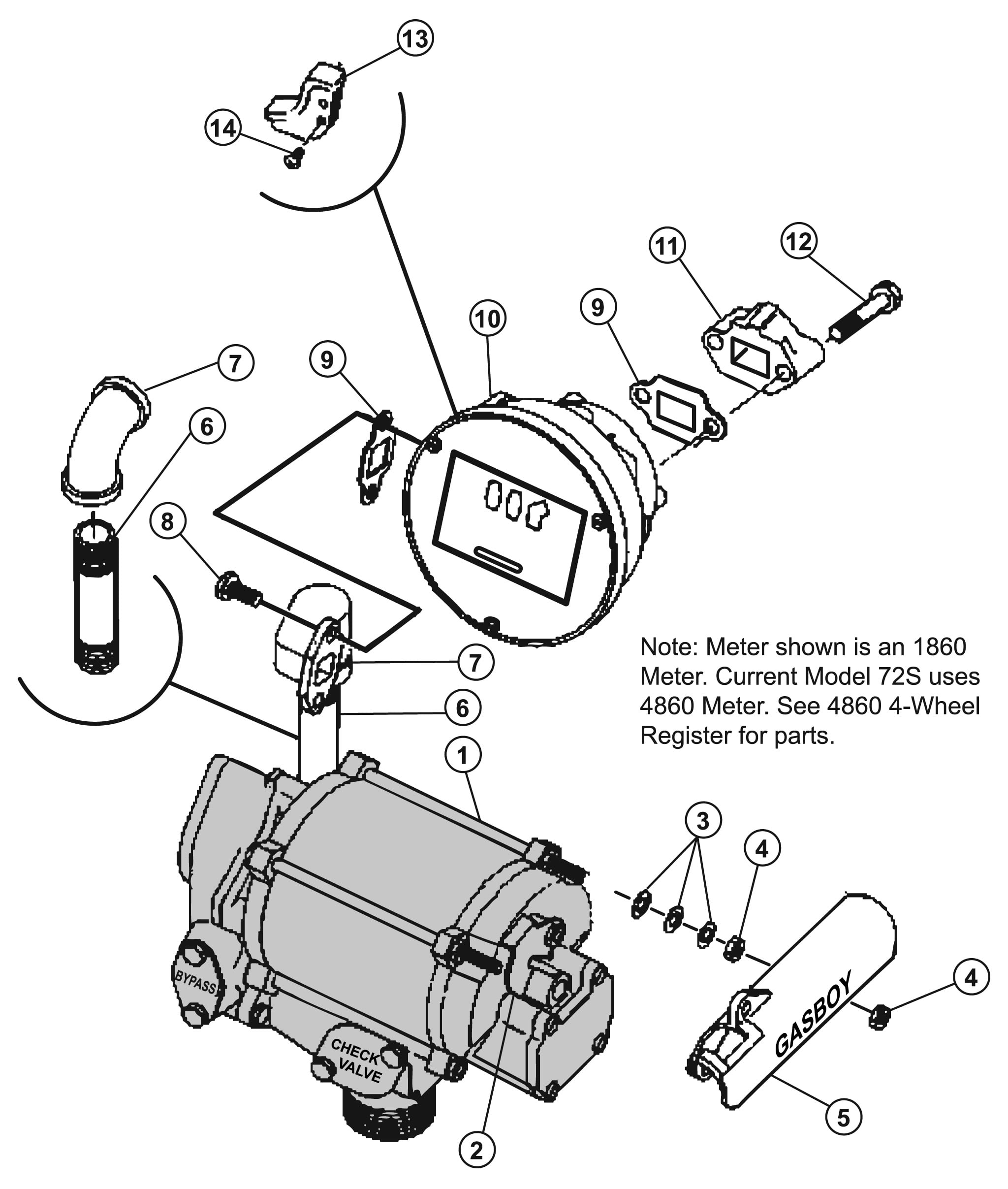
Meter Register Assembly
14
Request Details
053900
Reset Lever Screw (only used on Model 72)
15
Request Details
030539
Hose, 5/8 x 12 ft. (not shown)
*Use suffix 20B for beige and 20W for white
**See Section on 1860 3-Wheel Meter Register for internal parts
***Works on Gasboy, Fill-Rite & Great Plains
All names, numbers, symbols and descriptions are used for reference purposes only. It is not implied that any part listed is the product of these manufacturers. SVI does not represent and is not associated in any way with any other companies.
