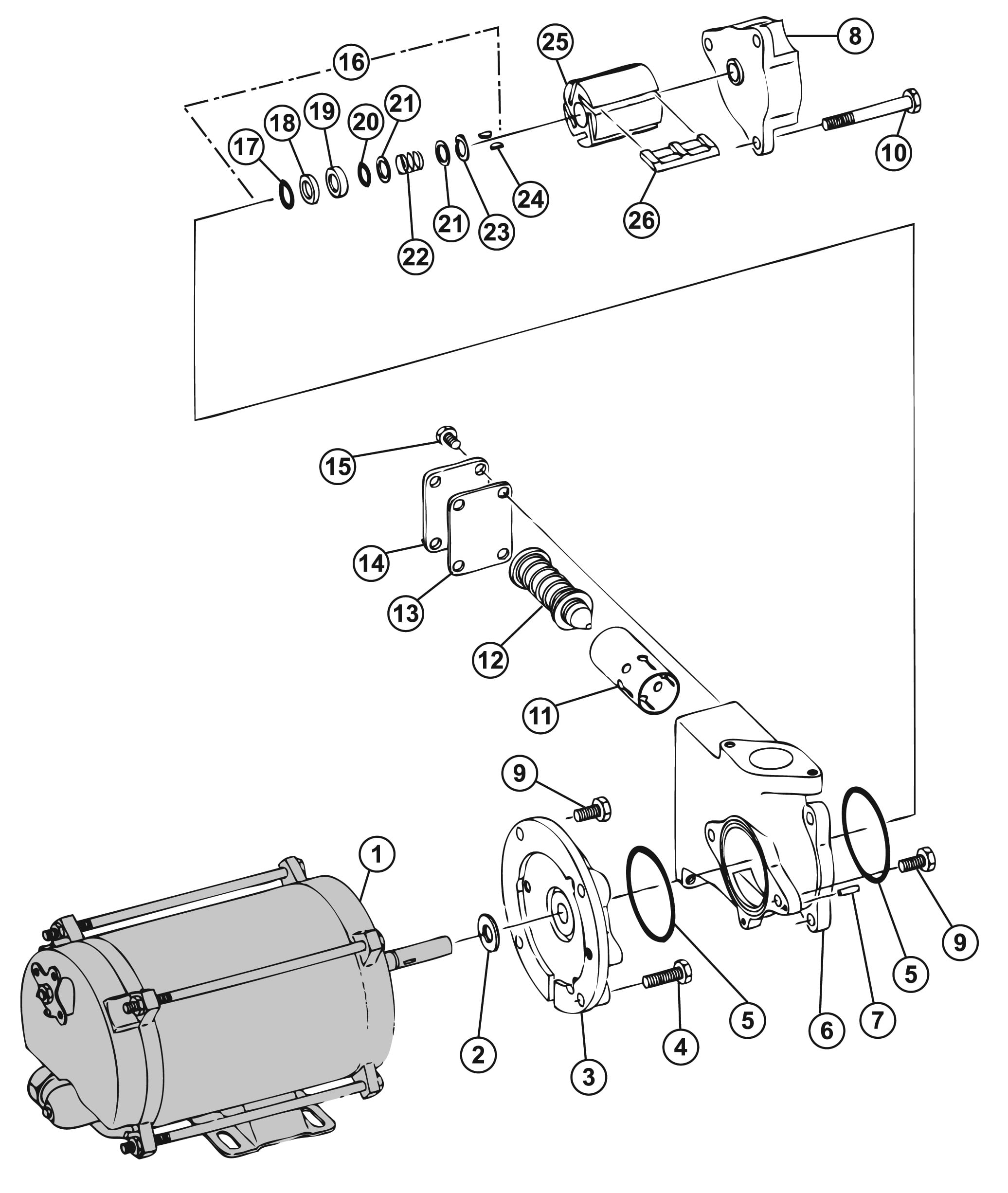
Transfer Pumps – AC Powered Pumps – Tokheim – 425
425 Pump and Motor
Add toQuote
Add toOrder
Item
SVI Part #
OEM #
Description
4
Request Details
052045
Cap Screw, 3/8-16 x 1-1/4
6
Request Details
003208
Pump Block
8
Request Details
022168
Pump Cover
9
Request Details
051985
Cap Screw, 3/8-16 x 3/4
10
Request Details
052135
Cap Screw 3/8-16 x 3
23
Request Details
049436
E-Ring
**Part included in Repair Kit BP-4210-02
All names, numbers, symbols and descriptions are used for reference purposes only. It is not implied that any part listed is the product of these manufacturers. SVI does not represent and is not associated in any way with any other companies.
