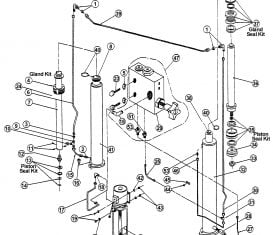
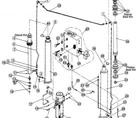
Hex Head Capscrew 5/16-18 X 1
SVI Part #: F-HC-0312-18-1000
Hex Head Capscrew 5/16-18 X 1
Don’t see a fastener you need, let SVI help.
All names, numbers, symbols and descriptions are used for reference purposes only. It is not implied that any part listed is the product of these manufacturers. SVI does not represent and is not associated in any way with any other companies.
















