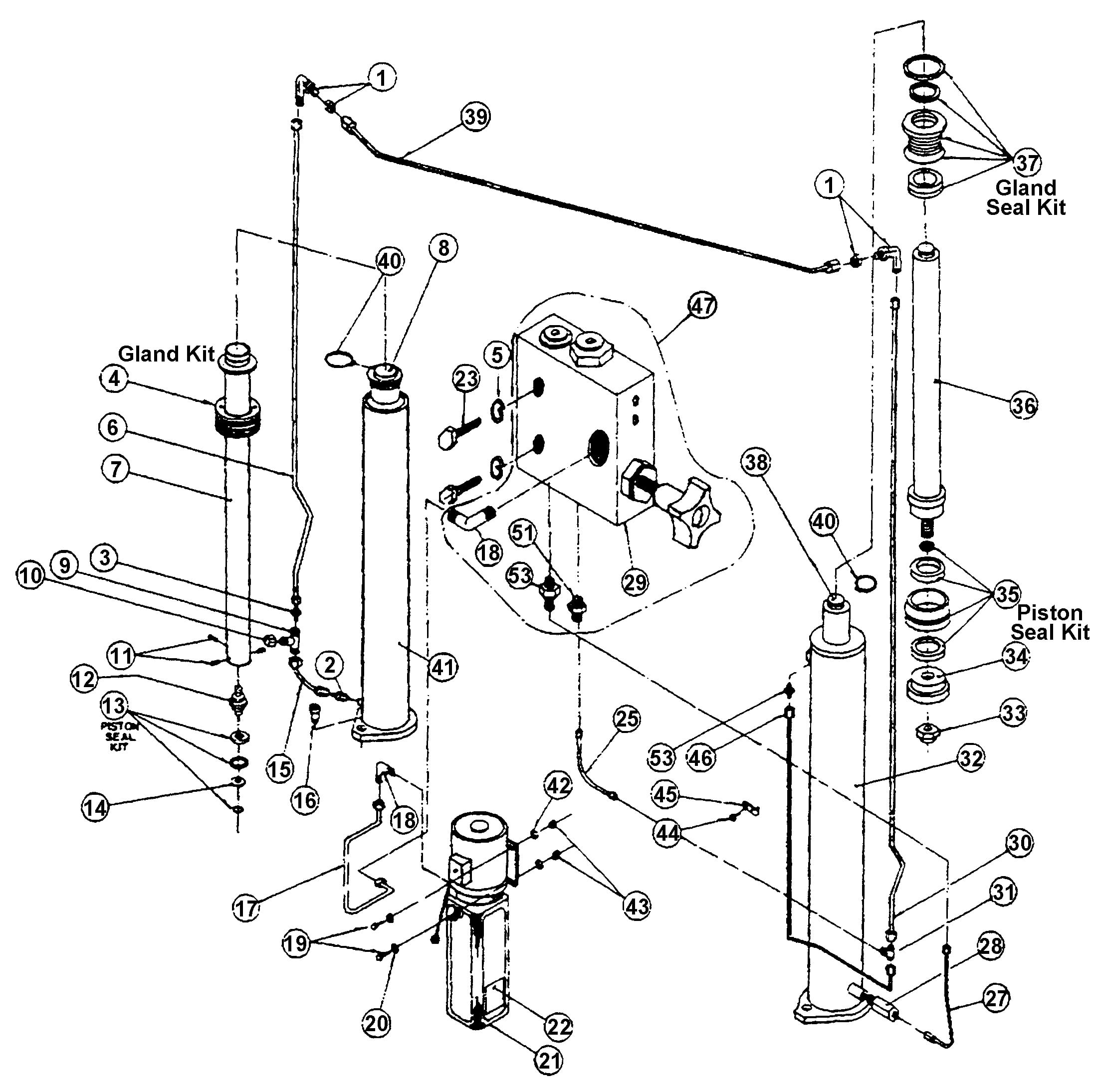
Above Ground / Surface Mount 2-Post Lifts – Wheeltronic – 11144VS
Parts for Wheeltronic 11144VS Hydraulics
Add toQuote
Add toOrder
Item
SVI Part #
OEM #
QTY
Description
11
Request Details
6-0580
3
Allen Hd. Setscrew, 1/4"-20 x 3/8"
16
Request Details
6-0425
2
Shoulder Bolt, 1/2" x 5/8"
22
BH-7805-101
6-1266
1
Lift Operations Decal
33
Request Details
6-0631
1
Uni-Torque Lock Nut, 7/8"-9
All names, numbers, symbols and descriptions are used for reference purposes only. It is not implied that any part listed is the product of these manufacturers. SVI does not represent and is not associated in any way with any other companies.
