
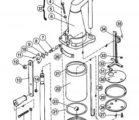
Gasket
In April 2009 SVI became the largest supplier of repair parts for Gasboy Consumer Series pumps. It has grown to the point SVI now produces it own line of fuel transfer pumps for consumer use.
All names, numbers, symbols and descriptions are used for reference purposes only. It is not implied that any part listed is the product of these manufacturers. SVI does not represent and is not associated in any way with any other companies.




