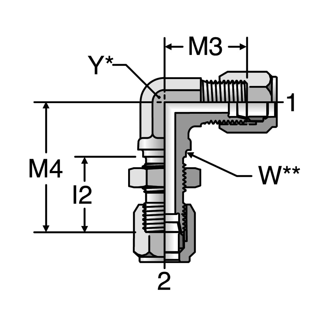
3/4 To 1/4 Flare Tube End Reducer
Steel Hydraulic Tube Fitting
All names, numbers, symbols and descriptions are used for reference purposes only. It is not implied that any part listed is the product of these manufacturers. SVI does not represent and is not associated in any way with any other companies.








