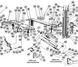
Locking Pin Assy
Who didn’t Wheeltronic make a lift for? SVI has become the number one relied on source for repair parts for Wheeltronic car, truck, bus and auto lifts. Everyday the selection of in stock inventory grows. Put SVI to work for you.
All names, numbers, symbols and descriptions are used for reference purposes only. It is not implied that any part listed is the product of these manufacturers. SVI does not represent and is not associated in any way with any other companies.



















