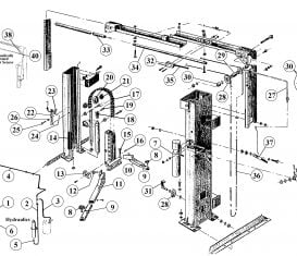
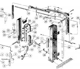
Clevis
Contact us for all your part needs for Globe and Ford Smith car lifts.
All names, numbers, symbols and descriptions are used for reference purposes only. It is not implied that any part listed is the product of these manufacturers. SVI does not represent and is not associated in any way with any other companies.














