


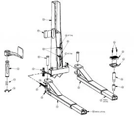
Lift Cable for NDO7 & other 2-Post Lifts
SVI Part #: BH-7100-07
Cable for Ammco / Ben Pearson Models AF7, AF7A, AF9, NDF7, NDF9, NDO7, NDO9, others
Description Details:
- Fits Models: Ben Pearson Models NDF7, NDF9, NDO7, NDO9, and Ammco AF7, AF7A, AF9
- Overall Length: 33’ 11/16” Long (10202.86 mm)
- Cable Diameter: 5/16” (7.938 mm)
- Cable Material: Galvanized Steel
- Cable Ends: (2) Threaded Studs 5/8”-18
- Fasteners Included
Special Notes:
For Ammco Models AO7, AO9, APO7, APO9 and others, see BH-7100-19 (ref 84916) Equalizer Cable
Content Listing:
- (1) Wire Rope Cable Assembly
- Fasteners Included
Alternative nomenclature or also known as:
- Wire Rope Balancing Cable
- Wire Rope Equalizing Cable
- Wire Rope Equalizer Cable
- Wire Rope Stabilizer Cable
- Wire Rope Synchronizing Cable
- Wire Rope Cable Assembly
- Wire Rope Cables
Uses: Auto Lifts, Car Lifts, Light Truck Lifts, Vehicle Lifts, Van Lifts, Bus Lifts
SVI is a premier, well-known expert supplier, and your best quality and cost option for replacement parts for Ammco / Ben Pearson Lifts. SVI is your answer!
Standard and Custom cables available. In-Stock Cables or repair parts ship same-day.
Safety First: Replace Auto Lift Cables at First Sign of Wear
All wire rope cables generally wear both from the inside and outside. Inside wear is much less significant and is caused as the cables are pulled across the cable pulleys or sheaves. This wear is caused by what is termed nicking and can appear on internal strands with an almost scalloped look. External wear on cables is much more apparent and is essentially abrasive wear. Abrasive wear is the result of metal being slowly worn away or removed over time. This appears on the crowns of each wire with a flattening of the wire appearance. As the wires flatten, material is being lost. Since the strength of the cable continues to lessen, the cable becomes weaker. Additionally, almost everyone at some point has seen frayed rope. This is a condition where unraveling, worn, or separated strands become evident. If this is observed to be happening on any wire rope cable assembly, immediately cease use of the equipment with this type of worn cable and replace the cable as well as the sheaves or pulleys immediately.
As a rule, if you own an auto lift or anything that uses wire rope cables, you should at a minimum conduct monthly visual inspection of the cables and sheaves or pulleys. This is especially important if your cable-driven equipment is frequently used. If you are starting to witness the small round strands comprising each cable assembly starting to flatten and then even flatter, it is time to consider replacing the affected cables. Most cables on auto lifts or even any equipment including winches are easy to replace and the costs are relatively minimal. If you do not wish to replace the cable assembly yourself, there are many companies that specialize in auto lift installation and service that can help you.
If you cannot locate an auto lift repair shop, Contact SVI and we will attempt to help you find someone in your area to properly replace your cables.

















