Above Ground / Surface Mount Scissor Lifts – Wheeltronic – Space Saver 12000
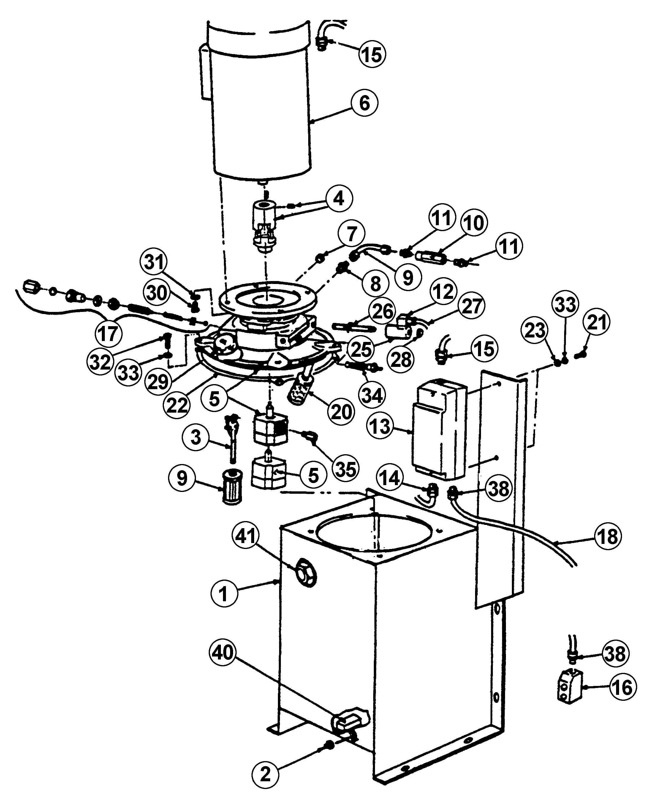
Parts for Wheeltronic Space Saver 12000 Power Pack
Add toQuote
Add toOrder
Item
SVI Part #
OEM #
QTY
Description
31
Request Details
6-0058
4
Lock Washer
All names, numbers, symbols and descriptions are used for reference purposes only. It is not implied that any part listed is the product of these manufacturers. SVI does not represent and is not associated in any way with any other companies.
