Above Ground / Surface Mount Scissor Lifts – Wheeltronic – EELR114A
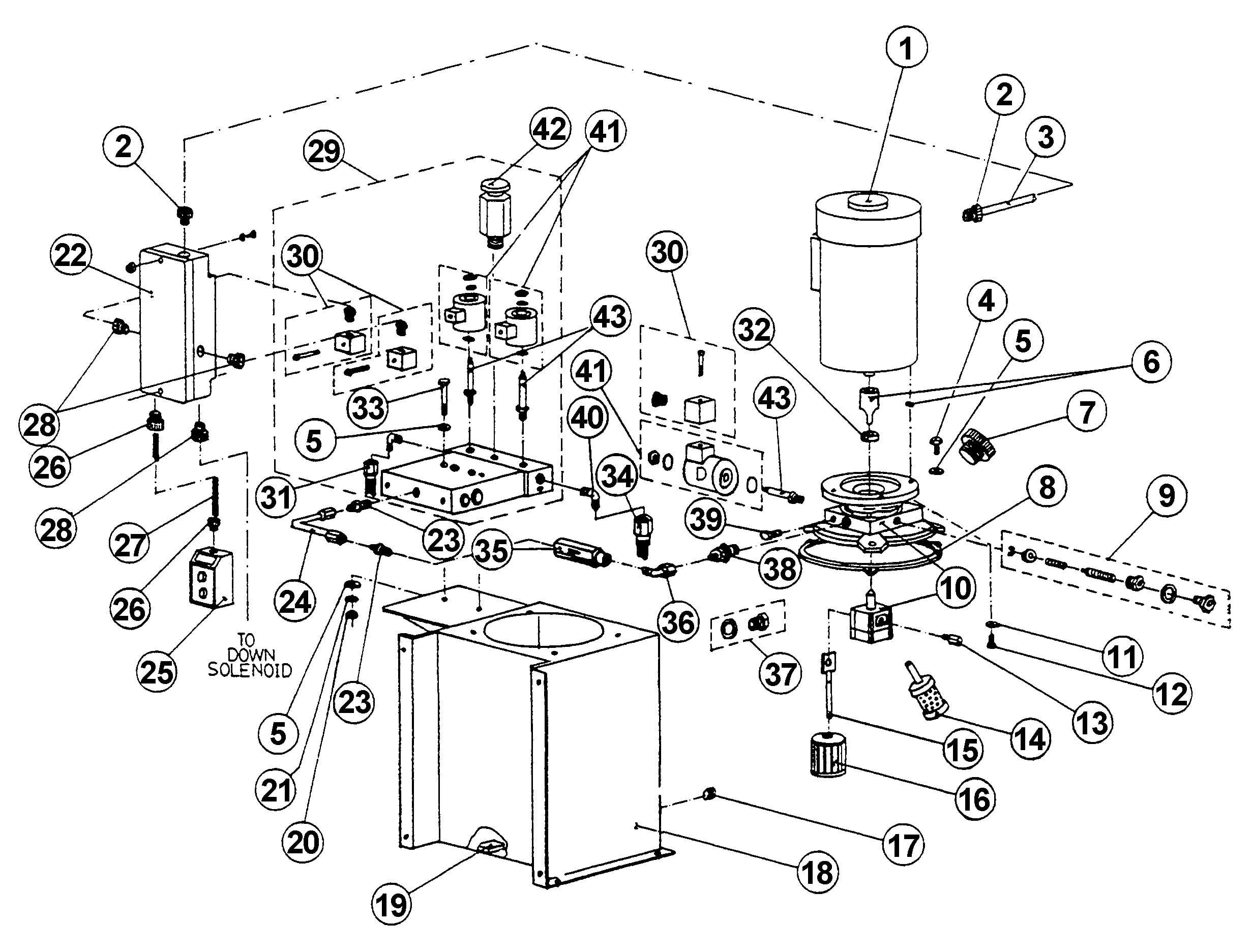
Parts for Wheeltronic EELR114A Power Pack
Add toQuote
Add toOrder
Item
SVI Part #
OEM #
QTY
Description
All names, numbers, symbols and descriptions are used for reference purposes only. It is not implied that any part listed is the product of these manufacturers. SVI does not represent and is not associated in any way with any other companies.
