Above Ground / Surface Mount 4-Post Lifts – Wheeltronic – 10404
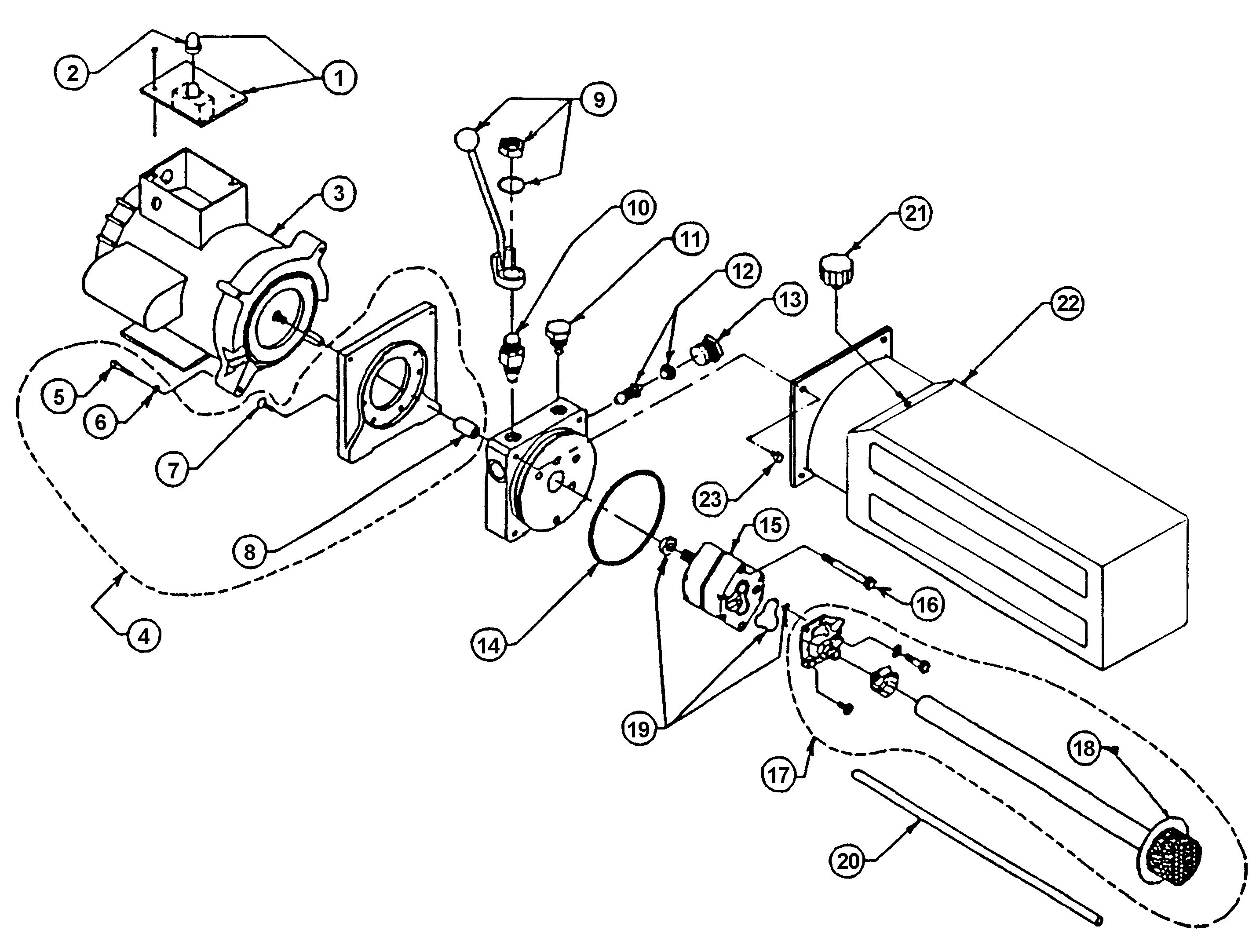
Parts for Wheeltronic 10404 Quad Rack Power Pack
Add toQuote
Add toOrder
Item
SVI Part #
OEM #
QTY
Description
All names, numbers, symbols and descriptions are used for reference purposes only. It is not implied that any part listed is the product of these manufacturers. SVI does not represent and is not associated in any way with any other companies.
