In Ground Side by Side Lifts – Weaver – EC-285
Parts for Weaver EC-285
Add toQuote
Add toOrder
Item
SVI Part #
OEM #
QTY
Description
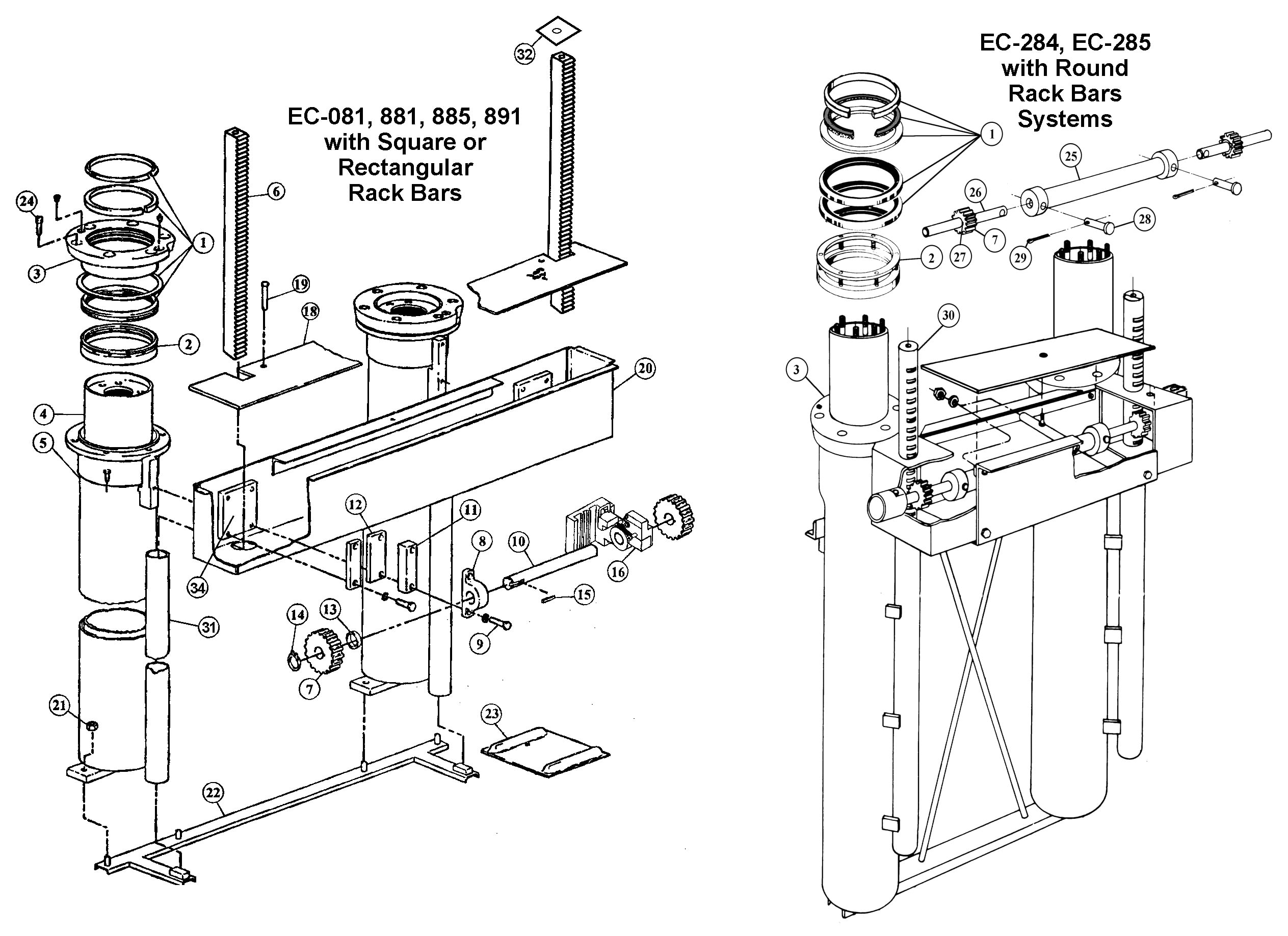
4
BH-9614-80
KL-304
2
Plunger/Gland EC-891
21
F-HN-0500
S-508
4
Hex Nut 1/2"
8-15
BH-9614 - C Series
Square
1
Eq. Assy. for 57-1/2" Piston Ctrs.
8-15
BH-9615 - B Series
Rectangle
1
Eq. Assy. for Rect. Rack Bar Systems
6-15
BH-9615-C - B Series
Rectangle
1
Complete Eq. w/ Racks/ Gears
8-15
BH-9616 (28401/28501)
Rectangle
1
Equalizer Assy. for 40" Piston Ctrs.
8-15
BH-9617 (EC-891)
Square
1
Equalizer Assy. for 89" Piston Ctrs.
25-29***
BH-9618 (EC-284/EC-285)
Round
1
Eq.Assy. for 40" Round Rack Sys.
* If no lift lock is used, (2) BH-9614-02 Pillow Blocks are required
** Only for 10" depth trench box
***No Locks available for BH-9618 or BH-9618C
All names, numbers, symbols and descriptions are used for reference purposes only. It is not implied that any part listed is the product of these manufacturers. SVI does not represent and is not associated in any way with any other companies.
