In Ground Front and Rear / Fore and Aft Lifts – Weaver – EC-103
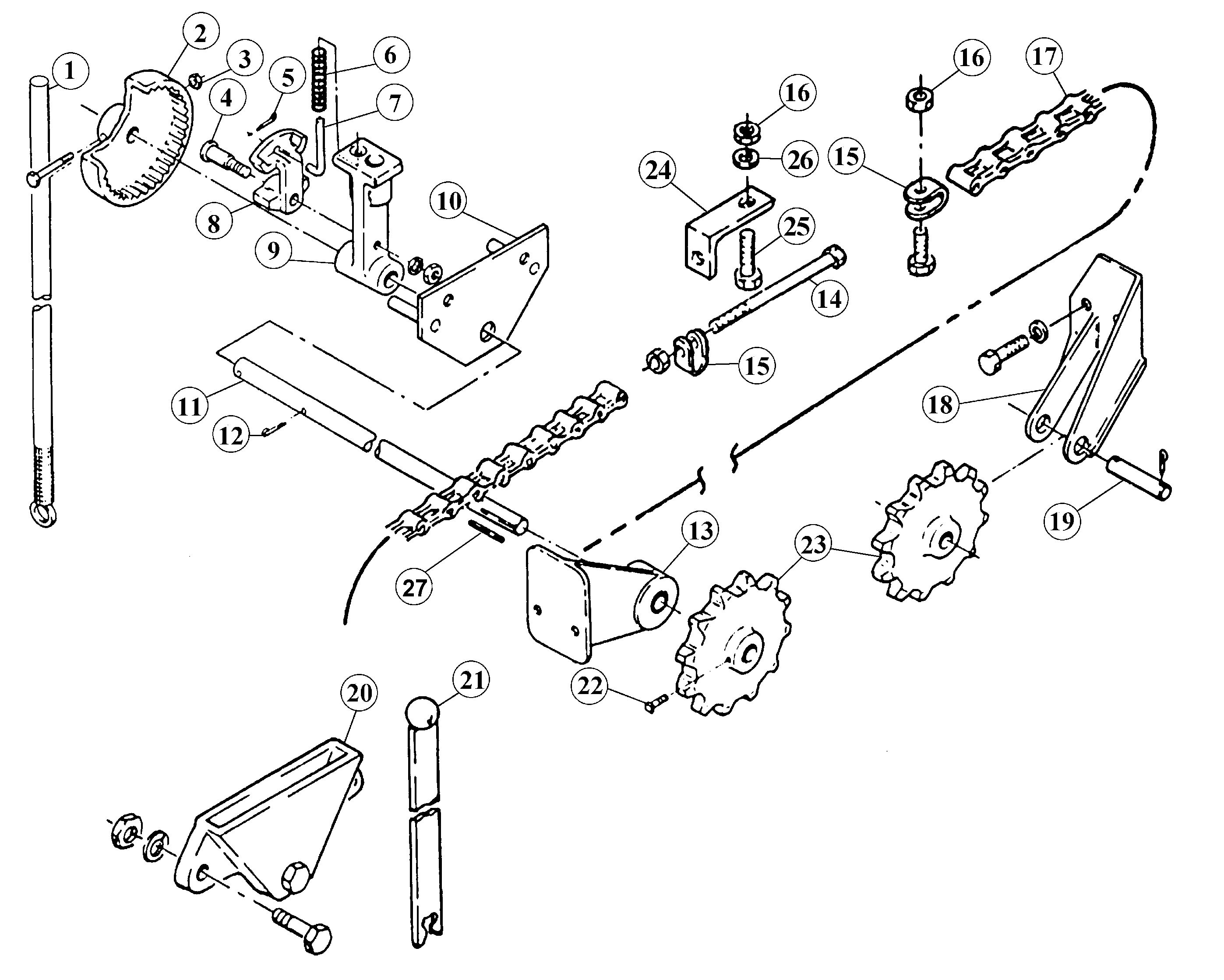
Parts for Weaver EC-103 Series Manual Ratchet Assembly Components
Add toQuote
Add toOrder
Item
SVI Part #
OEM #
QTY
Description
5
F-CP-093-500
S-380
1
Cotter Pin
All names, numbers, symbols and descriptions are used for reference purposes only. It is not implied that any part listed is the product of these manufacturers. SVI does not represent and is not associated in any way with any other companies.
