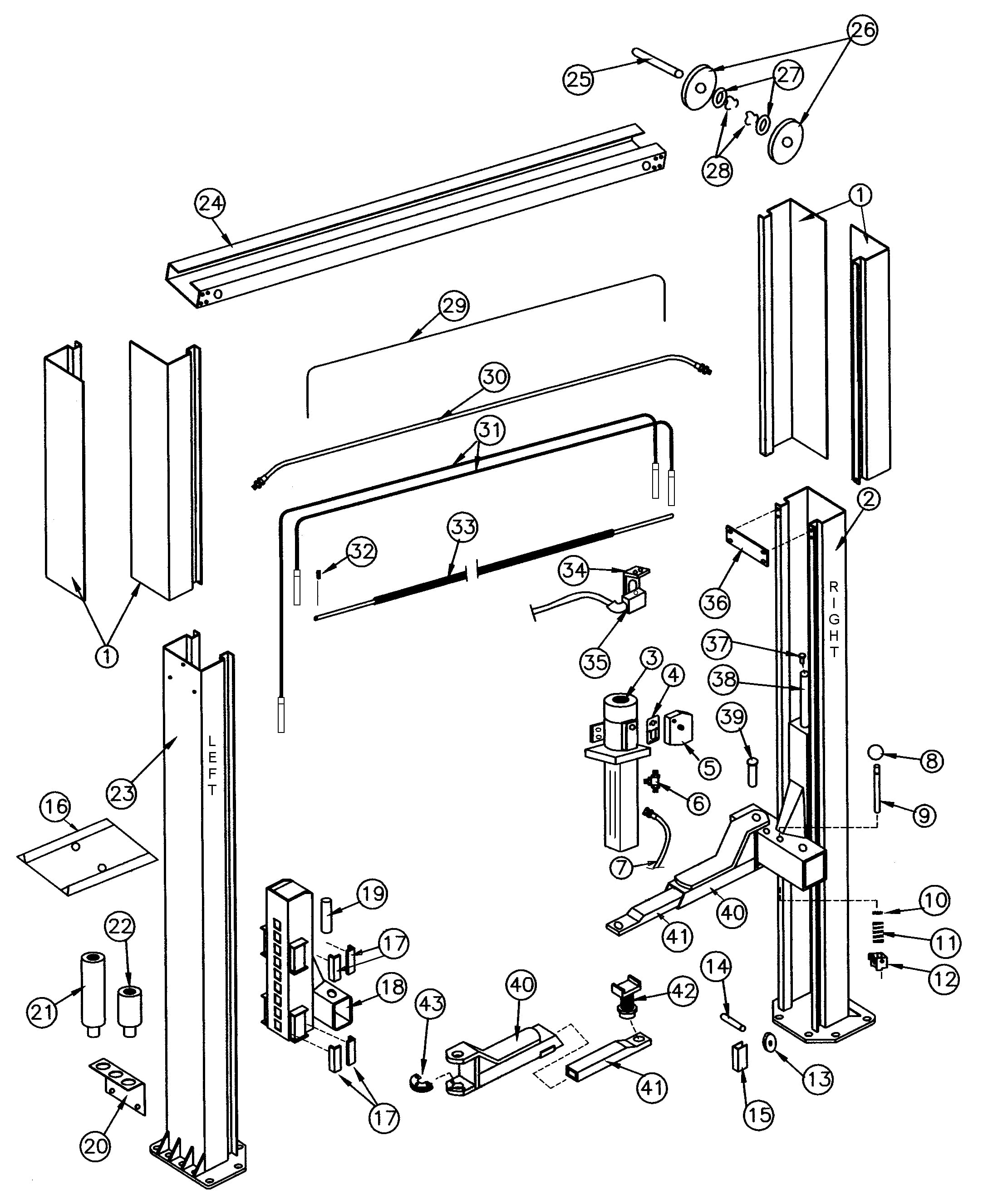
Above Ground / Surface Mount 2-Post Lifts – Rotary Lift – SPO18
Parts for Rotary SPO18
Add toQuote
Add toOrder
Item
SVI Part #
OEM #
QTY
Description
2*
Request Details
N734
1
Right Column
23*
Request Details
FJ7815
1
Left Column
37
Request Details
Bleeder Screw
All names, numbers, symbols and descriptions are used for reference purposes only. It is not implied that any part listed is the product of these manufacturers. SVI does not represent and is not associated in any way with any other companies.
