Above Ground / Surface Mount 2-Post Lifts – Rotary Lift – SPO18 300 Series
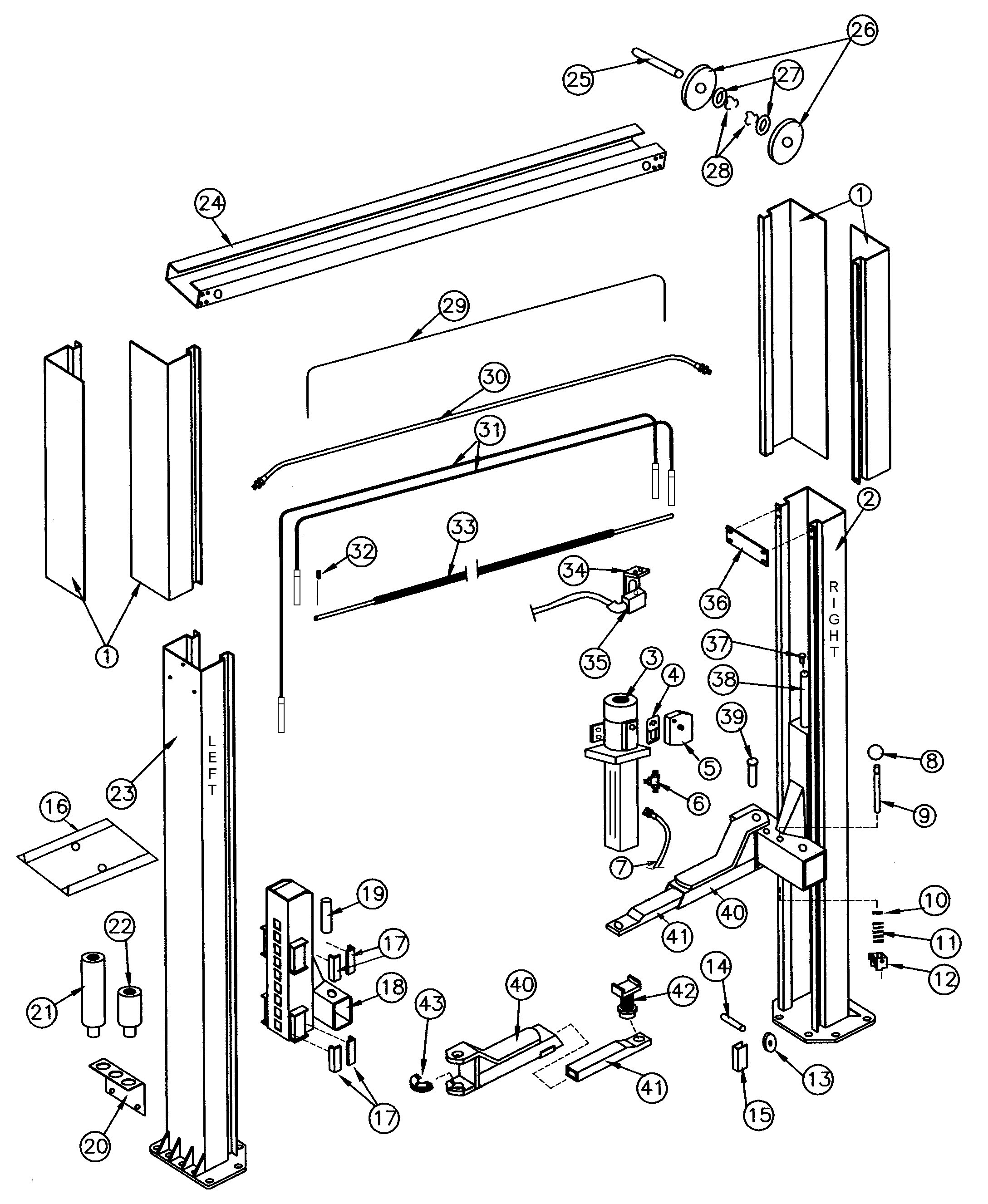
Repair parts for Rotary Lifts Model SPO18 300 Series are available from SVI.
SVI is the go-to supplier for repair parts for Rotary Lifts. Whether you need equalizer and lifting cables or chain, sheaves, slider blocks, hydraulic cylinders, seal kits, power units, overhead stop limit components, carriage locks and components, arm pins, height extensions and pads, or another part for your 2-post Rotary lift, SVI has what you need. We offer excellent pricing, top-notch customer service, and in-stock items usually ship out the same day.
Looking for a specific model breakdown or part? Contact SVI today!
- Also see Parts for SPO18 300 Series Lock Detail Model Breakdown
