Above Ground / Surface Mount 4-Post Lifts – John Bean – 10404JBC
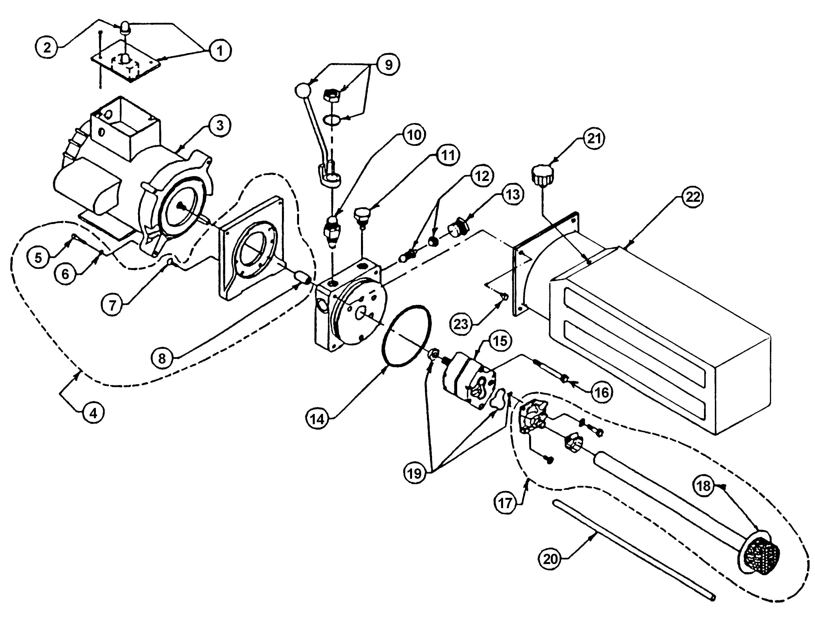
Parts for John Bean 10404JBC Power Pack
Add toQuote
Add toOrder
Item
SVI Part #
OEM #
QTY
Description
All names, numbers, symbols and descriptions are used for reference purposes only. It is not implied that any part listed is the product of these manufacturers. SVI does not represent and is not associated in any way with any other companies.
