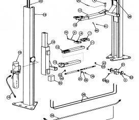
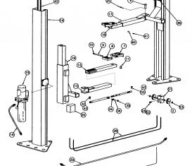
Inner Swing Arm Only
SVI is one of the largest and most respected supplier of repair parts for use on Rotary lifts. If you do not see what you need we will certainly help you. Contact SVI today. For repair parts for Rotary lifts, SVI is your answer!
All names, numbers, symbols and descriptions are used for reference purposes only. It is not implied that any part listed is the product of these manufacturers. SVI does not represent and is not associated in any way with any other companies.















