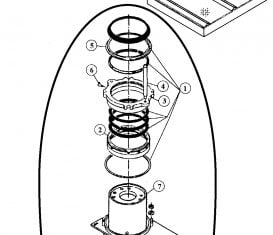
12-5/8″ Packing Kit
What lift repair professionals and shop owners really need is 100% complete and quality inspected assurance, like that in SVI “Direct Fit” Lift and Hoist packing kits. Instill confidence! Install SVI packing every time and turn your leaking problems around.
All names, numbers, symbols and descriptions are used for reference purposes only. It is not implied that any part listed is the product of these manufacturers. SVI does not represent and is not associated in any way with any other companies.











